1.城市泵站现状
目前我国各大中城市的给水调水泵站、雨水泵站、排污泵站主要分散于城市城区,进郊区及远郊区。生产运行主要采用现场人员值守。些泵站建成及运行时间较长,设备老化;近年来建设的泵站,大多数实现了现场自动控制;也有少数地区实现了几个泵站、*多几十个泵站的远程监控.采用的技术和设备参差不齐,效率、效果也不尽相同,例如有的泵站没有自动化监控系统;有的选用的技术及设备陈旧,稳定性差;有的泵站信息不能上传,不能实现远程监控等。这些都有待于采用更先进的,成熟的技术和设备加以改造完善,实现所有泵站的自动监控。本文提出建立泵站远程监控系统的参考模型,供商榷。
2.参考模型
参考模型示意如图1所示。泵站监控中心负责泵站生产运行的监测监控,并通过有线和无线的方式实现监控中心和各个泵站信息的交换传输。具体介绍如下。

2.1泵站生产流程及控制监测点
泵站工艺流程如图2所示,泵站自动控制流程如图3所示。从图2、图3可知,自动控制系统设计模型考虑了泵站生产控制的可能环节。包括入水流量和出水流量;集水池液位;集水池格栅前后液位差;集水池格栅前后液位差报警;泵站的设备运行状态,包括:每个泵的电机运转情况,启/停状态、电机温度、电机工作电流和电压;软启动器的工作状态;变频器的工作状态;流量计、液位计、液位差计、浮球液位开关、温度计、电流表和电压表等的维护状态;直接下达实时控制指令,控制泵站的运行。


2.2泵站监控中心
泵站监控中心的作用主要是监视和控制远方各个现场泵站的生产运行,同时将各个泵站运行状况信息上传有关管理部门,同时考虑未来工作的可扩展性,应选用以下设备:工业控制计算机、高清晰度彩色显示器、针式打印机、不间断电源、管理计算机、激光打印机、工作台、文件柜、转椅,消耗品、大屏幕投影屏、工业键盘等。同时建成网络系统,如图4所示。

2.3网络结构及通信
泵站监控网络系统为以太网,可达14/100Mh/,速率,主要由3个子系统构成;监控中心网络系统(如图4所示),泵站现场监控网络系统(如图3所示)及各泵站和监控中心通信系统。前两者分别为100Mb/s以及网及10Mb/s以太网.各泵站和监控中心通信系统网络通信方式很多,可只据监控泵站的数量、系统所在地的通信条件等诸多因素来确定,主要有两种类型:①有线:包括光纤.公共数据网PSDN、ISDN、电话拨号等;②无我:包括电台、微波、扩频微波及卫星。考虑到泵站点多而且分散的特点,采用无线通信方式为佳,如图5是种典型的无线微波通信方式,采用此无线通信方式,连接到各个泵站的速率可达到2Mb/s以上,*新,“品可达11Mb/s.可以满足泵站网络通信的要求。
2.4泵站监控系统软件
泵站监控系统软件要实现两个主要功能:一是对下属各泵站(可扩展)的运行情况进行监视、控制;二是对下属各泵站(可扩展)的日常生产活动进行管理。
(1)计算机监控管理程序。实现对PLC系统控制参数的设置;完成对数据采集系统的组态:监控生产作业过程,包括:显示控制过程画面和实时数据;显示系统总体框图;绘制重要参数的变化趋势图;显示重要设备的工作状态;历史数据的统计分析和存储;辅助管理日常生产业务,提供决策参考。
(2)事故报警。生产过程中的检测量超标时,系统自动报警显示,并通过报警打印机打印输出,形成记录文件;生产过程中的自动状态下的控制设备发出故障信号或失去控制时,系统自动报警显示,并通过报警打印机输出,形成记录文件;报警数据自动存储以备事后分析。
(3)数据存档和生产报表。系统自动生成日报表、月报表和统计报表,通过报表打印机打印输出,形成生产记录文件,并且文档可由EXCEL进行自定义处理,或用其它工具软件进行处理;具有时间和事件控制存档;可与其他Windows程序进行动态数据交换。
(4)人机操作界面设计。人机操作界面是整个系统与用户之间交流的窗口,它提供一种直观的图形化的功能实现,整个操作界面为层次渐进风格:*一层为城市所有泵站的分布图,主要显示信息说明:总进水量、总出水量及各泵站总体状况(正常、超载或关闭)等。*二层为各个泵站的工艺流程画面,主要显示信息说明:该泵站的总进水量、出水量及其各个设备的总体状态(正常、超载或故障)等,控制窗口提供对该泵站启动/关闭等控制。*三层为泵站中各个具体设备的工作状态、历史记录显示,主要显示信息说明:集水池:液位、液位报警;粗格栅系统:粗格栅前后液位差、液位差报警;细格栅系统:细格栅前后液位差、液位差报警;泵:所用泵的编号,电机的温度、电流和电压,启或停,正常或故障,电机报警;软启动器:正常或故障,启/停,报警。控制窗口提供对该设备启动/关闭及维护等控制。
3.社会及经济效益
通过建立泵站监控中心,实现泵站生产运行的远程监控,预计可产生如下效益:建立泵站监控中心,可以实现复杂的泵站工艺流程的安全运转,减少人为因素带来的可能事故和隐患,减轻劳动强度,提高工作效率和效益;节约能耗,实现增效;泵站监控中心和主管职能部门,能及时方便地了解掌握泵站的生产和运行情况。
4.泵站管理系统
泵站管理平台由本地保护测控装置、测量采集仪表、PLC自控装置、视频安防、本地控制系统以及区域泵站管理平台组成。通过泵站管理平台可以实现对区域内泵站的数据采集、运行监测、控制调节、能耗分析、事故预告报警、事件记录、运维管理等功能,实现泵站无人值守、集中运维管理,提高泵站的运行可靠性。

图4泵站管理平台网络结构示意图
4.1泵站管理系统(就地部署)
Acrel-2000M泵站管理系统部署在泵站内部,实现对泵站的多方面监视、控制和运行记录,在异常时可及时发出报警信号,保障泵站运行安全。
.泵闸全景图
泵闸全景图可以帮助用户进行多方面的监测泵闸多方面的运行状态,比如内外河水位、节制闸东西方向的开度、内外侧闸门的开度、水泵运行的状态以及电流。

.泵站总览及单线图显示
查看泵站配电回路的分布和连接情况以及主要的电参量。主要数据包括:三相电流,三相电压,功率、电能、功率因数、回路名称。

.节制闸监控
监测节制闸运行状态,比如闸门开度,是否锁定解锁等状态,同时具备监测内外河水位的趋势、油泵的运行情况。另外在该功能模块可以实现对节制闸、油泵的远程控制功能,并可以进行远方/就地控制的切换。

.水泵运行监控
监测水泵运行状态,比如运行、停止、保护装置故障等状态,实现对水泵远程控制、排水引水联动控制,在实现远程控制功能之前将水泵、工作闸门PLC控制柜选择远方。排水引水联动时,系统将下发进水闸门打开命令,直至进水闸门全开状态。

.闸门监控
监测工作门、油泵运行状态,比如运行、停止等状态,在该功能模块可以实现对工作门、油泵远程控制。

.趋势曲线分析
可以监测电机运行负荷曲线、内外水位曲线等等,帮助用户分析和记录运行趋势。

此外,系统还具备异常报警、报表制表等功能,使管理人员及时了解电站运行情况。
4.2区域泵站管理平台
AcrelEMS泵站管理平台设置在云服务器或者*定的区域指挥中心,实现对区域内不同类型泵站的统一监控,提高管理效率。平台具备泵站地理位置显示、泵站3D展示、电力监控、数据查询、控制调节、能耗分析、视频监控、报警管理、设备管理、运维管理等功能。数据可通过4G无线专网或网络传输。
.泵站地理位置标识
可在地图标识泵站位置,点击地图上图标可直接进入泵站监视界面。

.泵站工艺3D展示
通过2.5D或3D界面实时展示泵站运行状态,包括电气数据、管网、水位、闸门状态等。

.电力监控
实时监测泵站配电系统运行状况,包括电气参数,越限/异常报警等等。

.泵站非电量监控
平台可展示泵站变压器、电机、线缆等关键接点温度,另外可对泵站电机振动、环境温湿度、水位、闸门状态、视频、门禁等各种参量,并可设置越限报警。

.能耗分析
分析各泵站电能消耗数据和碳排放分析,对标水泵能效指标,为管理者进行设备能效升级改造提供数据支持。

.报警分析
平台可对区域内泵站的报警进行分级:普通、严重、事故三个级别,并对所有事故进行分析,帮助管理者更好了解泵站的运行状况,避免错过重要的报警信息。

.设备档案及运维管理
平台针对泵站设备建立设备档案库,记录设备生产厂家、性能参数、维护保养信息,并生成设备二维码,支持运维巡检、缺陷记录、工单管理、事故抢修等运维管理流程,帮助用户更高效的管理泵站运维。

此外平台可接入各泵站的照明控制系统、应急照明和疏散指示系统数据,通过平台进行统一监控管理,提高泵站的运行安全和管理效率。
5.泵站的电气自动化二次产品选型
5.1泵站电气设备的自动控制、测量、保护、监视、通讯
其内容包括:泵站高压送、变电系统;泵站0.4kV配电系统;泵站直流系统;电机的综合保护系统。泵站的保护测控装置配置如图2所示。所有装置均具备通讯接口,可通过智能网关接入本地监控系统或者区域泵站管理平台,智能网关具备边缘计算和逻辑控制功能,可根据现场运行工况进行自动控制。

图2泵站保护测控装置配置图
|
名称 |
图片 |
型号 |
功能 |
应用 |
|
微机保护装置 |
|
AM6 |
提供35kV和10kV线路、变压器、电动机、电容器、母联保护备自投 |
保护测控装置 |
|
多功能综合测量仪表 |
|
APM520 |
三相电流、线电压/三相相电压、双方向有功/无功功率、双方向有功/无功电能、功率因数、频率、谐波畸变率、电压合格率统计,RS485/Modbus-RTU接口 |
高低压回路电气参数测量 |
|
电动机测控装置 |
|
ARD3M |
适用于额定电压至660V的低压电动机回路,集保护、测量、控制、通讯、运维于一体。(过流、欠流)、电压的(过压、欠压)及断相、堵转、短路、漏电、三相不平衡、过热、接地、轴承磨损、定转子偏心时、绕组老化予以报警或保护控制。 |
低压电动机保护控制 |
|
抗晃电装置 |
|
ARD-KHD |
电压短暂失压时防止接触器脱扣,电压恢复后不间断运行,避免系统受到冲击。 |
抗晃电 |
|
无功补偿控制器 |
|
ARC |
根据目标功率因数投切电容器实现无功补偿 |
无功补偿控制 |
|
无线测温传感器 |
|
ATE400 |
监测35kV及以下电压等级配电系统母排、线缆连接点温度和温升预警。 |
适用于35kV及以下电压等级开关柜母排、断路器、电缆接头等接点温度监测 |
|
无线测温接收器 |
|
ATC600 |
接收无线测温传感器数据并通过RS485上传。 |
|
|
智能网关 |
|
ANet-2E4SM |
边缘计算网关,嵌入式linux系统,提供AES加密及MD5身份认证等安全需求,支持断点续传,支持Modbus、ModbusTCP、DL/T645-1997、DL/T645-2007、101、103、104协议,支持逻辑判断和控制。 |
数据采集、转换和逻辑判断 |
表1泵站保护测控装置选型
5.2泵站及重要辅机系统的自动控制、测量、监视、通讯
其内容包括:为主机配套的油系统的控制(例如:水泵叶片调节压力油系统、快速闸门液(油)压操作系统、油系统、齿轮箱冷却油系统等);为主机配套的气系统的控制(为真空破坏阀(虹吸式泵站)所配的低压气系统、为水泵叶片调节配套的压力油及其它气动工具用的中压储能气系统);泵站水系统(为主机组配套的冷却水系统、泵站排水系统和消防用水系统等)。
5.3各种非电量的自动测量、监视、通讯
其内容如下:水工安全方面的位移、沉降、扬压力、应力等各种监测;水文、水位、水情、水量、水质等各种监测;各种温度、湿度的监测;绝缘监测;各闸门开度、荷重等监测。
这些信号均为模拟量和开关量形式输出,采集信号为4-20mA模拟量信号和开关量信号,这些信号主要PLC装置采集并进行相应的告警和控制,数据可上传泵站管理平台。
为了提高可靠性,4-20mA或者0-5V模拟量信号需要增加信号隔离装置来实现限压、限流、隔离等措施,增加系统的抗干扰能力。
|
名称 |
图片 |
型号 |
功能 |
应用 |
|
隔离式安全栅 |
|
BM200 |
采用了限压、限流、隔离等措施,防止危险能量从本安端子进入危险现场,提高系统的本安防爆性能,增加了系统的抗干扰能力。输入4-20mA、0-5V、PT100/0-10kΩ等信号,输出4-20mA、0-5V等信号。 |
模拟量信号安全隔离 |
|
信号隔离器 |
|
BM100 |
对电流、电压等电量参数或温度、电阻等非电量参数进行快速*确测量,经隔离转换成标准的模拟信号输出。既可以直接与指针表、数显表相接,也可以与自控仪表(如PLC)、各种A/D转换器以及计算机系统等设备配接。 |
信号转换隔离 |
|
遥信单元 |
|
ARTU100-K8 ARTU100-K16 ARTU100-K32 |
可采集8~32路开关量,具备SOE事件顺序记录,RS485/Modbus-RTU接口。 |
开关量采集 |
|
遥信遥控单元 |
|
ARTU100-KJ8 |
8路开关量采集和8路继电器输出,RS485/Modbus-RTU接口。 |
开关量采集 继电器输出 |
|
模拟量采集单元 |
|
ARTU100-MA84 |
8路4-20mA/0-5V采集和4路4-20mA/0-5V输出,RS485/Modbus-RTU接口。 |
模拟量采集输出 |
表2泵站信号采集及隔离装置选型
泵站应设置正常工作照明和应急照明,并满足各场所照度要求,应急照明持续供电时间应不少于30min。
|
工作场所 |
工作面名称 |
规定照度被照面 |
工作照明(lx) |
应急照明(lx) |
|
泵房间、格栅间 |
设备布置和维护地区 |
离地0.8m水平面 |
150 |
10 |
|
高低压配电装置室 |
设备布置和维护地区 |
离地0.8m水平面 |
200 |
15 |
|
控制室 |
设备布置和维护地区 |
离地0.8m水平面 |
300 |
30 |
|
变压器室 |
设备布置和维护地区 |
离地0.8m水平面 |
100 |
15 |
|
楼梯 |
|
离地0.8m水平面 |
50 |
5.0 |
|
通道 |
|
离地0.8m水平面 |
50 |
1.0 |
表3泵站照明系统要求
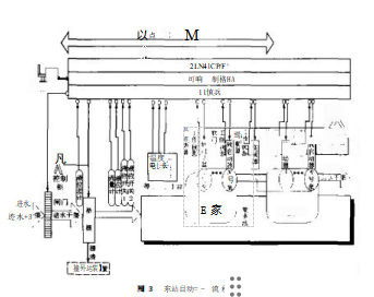
安科瑞为泵站提供消防应急照明和疏散指示系统和智能照明控制系统解决方案。正常工作照明可以采用感应控制、定时控制、远程控制等控制方式,满足泵站工作照明要求。应急照明和疏散指示系统提供不少于90min的应急照明,采用集中电源供电,确保消防安全。消防应急照明和工作照明控制均可接入泵站管理平台实现集中监测和控制。

图3泵站消防应急照明和工作照明系统
6.结束语
本文针对我国城市泵站远程监控系统的开发建设,提出了城市泵站远程监控系统实现的手段和技术方法,希望能对我国城市泵站远程监控系统的开发建设提供有益的参考。
【参考文献】
[1]李启飞.城市泵站盐城监控系统的开发
[2]安科瑞企业微电网设计与应用手册.2022.05版.
本文地址: https://www.xsyiq.com/55786.html
网站内容如侵犯了您的权益,请联系我们删除。












